實時自控 精準調速 | 極海G32R501 2.2kW高性能矢量變頻器參考方案
工業互聯網、人工智能、物聯網等創新技術的快速發展,推動變頻器行業加速向智能化、數字化方向邁進。變頻器不僅具備調速和節能功能,還能融合遠程監控、故障預測和自適應控制等技術,顯著提升設備的運行效率和穩定性,同時降低能耗和排放。這些特性使其更符合國際節能減排目標要求。
極海2.2kW高性能矢量變頻器參考方案介紹
極海G32R501 2.2kW高性能通用矢量變頻器參考方案,主要用于控制和調節三相交流同步電機的速度和轉矩。采用高性能的矢量控制技術,低速高轉矩輸出,具有良好的動態特性、超強的過載能力、增加了用戶可編程功能及后臺監控軟件,通訊總線功能,支持多種PG卡等,組合功能豐富強大,性能穩定。
可用于紡織、造紙、拉絲、機床、包裝、食品、 風機、水泵及各種自動化生產設備的驅動。

方案部分參數

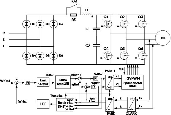
變頻器原理圖
軟硬件介紹
G32R501 2kW變頻器參考方案,由功率板、控制板、按鍵顯示板組成。

變頻器實物圖
本方案搭載無感觀測器,實現高性能無感FOC控制,可實現調速范圍:1:200;轉速精度:±0.5%;轉矩精度:5Hz以上±0.5%

變頻器無感控制圖
方案優勢
■ 基于G32R501實時控制MCU的單芯片方案
■ 支持零速度切換,瞬停不停,提高設備運行的穩定性、安全性和連續性
■ 支持電機參數靜態辨識(電阻/電感/磁鏈)
■ 同步電機驅動超強過載能力(可調可設),提供更高靈活性和可靠性
■ 載波頻率:0.8kHz~16kHz,可根據負載特性自動運行,在控制精度、噪聲、效率和適應性等方面具有顯著優勢
■ PI自整定:模型參考自適應,自動優化控制參數,提高控制精度、動態響應和系統穩定性

采用G32R501芯片在240MHz主頻下,單核FLASH中運行時(路徑:ITCM → FACC → Flash),控制環路周期:62.5μs,優化等級為O2狀態下,環路執行時間:<19.8μs(同類產品執行時間為24μs)。


正反轉零速切換
支持正反轉運行,實現零速度自由切換。通過優化控制策略在正反轉切換時設置合理的過渡區和切換邏輯,實現電機在零速時的平滑切換,并采用狀態機的滯環切換方案,確保電機在正反轉切換時不會出現機械特性反轉。

IPD初始位置檢測
采用脈沖注入法:假定轉子處于某一位置建立 dq 坐標系,將 0-360 電區間劃分成 N 份,在每個區間打出等幅值脈沖并采集AB相電流。由于轉子磁效應會影響電流變化率,和 S 極方向相同方向的電流變化率越大,和 N 極相同方向電流的變化率越小,找出電流變化率最大的脈沖對應的電角度,再疊加上代碼假定的初始角度,即為轉子的初始位置,在此基礎上還可利用增量式光電編碼器數值做抖動補償。

參數辨識
支持電機參數靜態辨識(電阻/電感/反電動勢(磁鏈)),PI參數自整定,無需人工調試,一鍵運行。
■ 電阻識別技術:采用直流注入法,給電機繞組施加直流電壓,測量繞組中的直流電流,根據歐姆定律計算電阻,并對電流和電壓進行低通濾波。
■ 電感識別技術:采用脈沖電壓法,在準確的兩相旋轉坐標系的 d、q 軸上注入正反向的高頻脈沖電壓,依據電壓方程計算出 d、q 軸電感。
■ 反電動勢識別技術:采用狀態觀測器,通過對電機轉子位置、速度和電流等狀態的估計,實現對反電動勢的觀測和估計。
■ PI參數自整定:通過建立閉環電機模型,引入臨界增益和臨界周期來確定最佳的Kp和Ki值。
通過以上技術,可實現無傳感器高精度控制。
G32R501芯片特性
■ 內核與存儲:基于Cortex-M52雙核架構,主頻250MHz,配備緊耦合內存(ITCM、DTCM)、I/D-Cache,Flash預取,實時性能高;
■ 擴展指令:極海自研紫電數學指令擴展單元,支持CRC運算、Viterbi、三角函數、除法、開方等數學運算;
■ 增強型控制外設:
· 16個PWM通道,多通道同步性能高,助力低速精準電機控制;
· 靈活的IP聯動功能,PWM模塊具有額外兩個比較子模塊(CMPC、CMPD)專門用于產生同步事件,可在計數器任意時刻產生事件,同步事件可傳遞至任一PWM模塊同步PWM相位,并觸發ADC開始采樣;
■ 高精度模擬外設:
· 3個3.45MSPS的12-bit高速ADC,快速準確采集模擬信號,減小信號延遲;
· ADC支持3.3V/2.5V內部參考源,2.5V參考源時,電壓分辨率可提升32%,提高反饋信號采樣精度;
■ 豐富通信接口:CAN×2、I2C×1、UART×2、SPI×2、QSPI×1、LIN、PMBus×1。

極海G32R501 2kW高性能矢量變頻器量產級參考方案,涵蓋完整的軟硬件設計,可提供全功能軟件固件和變頻器控制上位機PC調試工具,支持參數設置、JOG調試、故障排查、波形分析等功能;方案配有詳細使用指南,方便工程師快速進行上手使用、性能評估以及二次開發。
