近年來,全球可再生能源需求持續增長,尤其是分布式發電和戶儲光伏系統的廣泛應用,推動了微型逆變器市場規模的迅速擴張,目前已達百億級別。微型逆變器作為連接太陽能與電網的關鍵設備,不僅是能源轉換的核心樞紐,更是推動綠色能源普及的重要技術載體。
極海推出G32R501 800W雙路MPPT微型逆變器參考方案,旨在以更高效、更智能的量產級技術方案,助力全球能源轉型。該方案通過G32R501實時控制MCU實現光伏微逆變器的數字控制,并可同時接入兩路光伏輸入,具有獨立MPPT功能,額定功率800W,可使用鎖相環追蹤電網角度,支持并網運行模式。

極海800W雙路MPPT 微型逆變器參考方案介紹
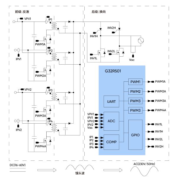
極海微型逆變器參考方案采用G32R501實時控制MCU,應用中需要的所有關鍵功能均由該芯片主控實現,如MPPT、電網SPLL同步、反激原邊電流逐波追蹤電網電壓正弦變化以及對外USART通訊等,并驅動兩個功率單元實現反激隔離變換與輸出換向功能。
方案特點
· 基于G325R01實時控制MCU單芯片方案,對反激和換向功率單元進行全面數字控制;
· 最大光伏輸入電壓60V,MPPT電壓范圍16V~60V,啟動電壓22V,2路MPPT,最大輸入電流14A;
· 支持電網電壓范圍AC 180V~275V,頻率45Hz~55Hz;
· 額定輸出功率800W,額定輸出電流3.5A;
· 滿載功率因數>0.99,峰值效率94.0%;
· 標稱MPPT效率99.80%;
· 工作溫度-40℃~60℃,自然散熱。

方案功能
本方案集成反激功率單元和換向功率單元,并由單芯片G32R501實時控制MCU實現光伏并網輸出功能。
n 反激功率單元作為微型逆變器的核心功率單元,由兩組完全相同的反激電路組成,為提升系統傳輸功率,每組反激電路又進行了兩相交錯并聯,實現光伏的最大功率追蹤(MPPT)功能,并調節反激變壓器的原邊電流的變化趨勢、追蹤電網電壓正弦變化,實現單位功率因數輸出功能;
n 換向功率單元由兩個橋臂組成H橋,每個橋臂由一只MOS管和一只可控硅串連組成,通過鎖相環為反激功率單元工作提供角度,并控制四只管子實現電流的正弦輸出。
n 基于極海G32R501微型逆變器方案,其兩路MPPT獨立尋優,避免光伏系統中因組件的不匹配(比如陰影遮擋,光照角度等)導致整體發電量的損失,提升發電量至少5%;
n 另外單塊組件損壞或逆變器故障,不會對整個系統運行產生影響,確保整體系統發電高效穩定;
n 支持組件多朝向、多傾角安裝(如屋頂不同斜面),最大化利用不規則空間,且兼容不同功率、型號的光伏組件,新舊設備可混合使用。

G32R501芯片特性
· 高算力:主頻高達250MHz,SRAM可靈活配置為零等待訪問周期ITCM和DTCM,通過Cortex-M52內核的ACI功能,可以將自定義指令直接納入內核處理,大幅提高運算能力。可為電源應用中常用濾波器、補償器、鎖相環等算法提供運算加速;
· 控制外設:內置16個PWM通道,每個通道均支持典型值151ps的高分辨率PWM輸出,另外還帶有谷底開通模塊,滿足微型逆變器谷底開通、峰值電流關斷的配置要求;
· 模擬外設:7個比較器單元,每個比較器內置2個12-bit DAC,支持消隱和濾波功能,可實現微型逆變器的峰值電流關斷和谷底開通配置;
· 3個3.45 MSPS 12 位模數轉換器,支持31個外部通道,可為微型逆變器提供同步采集和短延時采集需求,更優的MPPT追蹤性能;
· 工作溫度覆蓋-40℃~125℃,對電磁環境有更高容忍度,適應復雜的工業工作環境。

微型逆變器作為光伏發電系統中重要的組成部分,是推動可再生能源普及、實現能源結構轉型和可持續發展目標的重要技術點。極海G32R501 800W雙路MPPT微型逆變器參考方案,可提供完善的軟硬件設計文件,涵蓋示例程序固件、極海自研上位機以及用戶指南等,方便工程師快速進行上手使用、性能評估以及二次開發,助力客戶項目快速量產落地。
